Membrane Bioreactor (MBR)

The membrane bioreactor was developed and built as a flexible test unit to carry out experiments with submerged membranes in the field of ultrafiltration and microfiltration. The system is transparent and clearly designed and therefore particularly suitable for experiments on the degradability of various substances, training and internship.

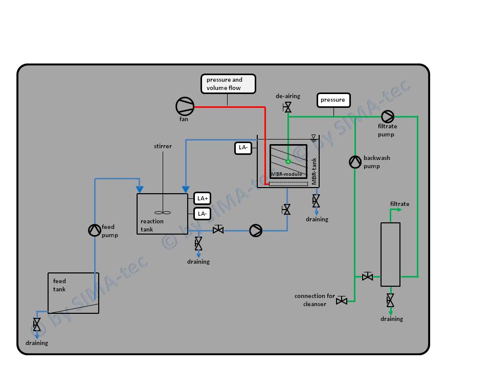
In the version described here, the membrane bioreactor has a transparent working tank equipped with an ultrafiltration plate module. The interfaces between the system and the plate module are configured, so that different modules can be adapted easily at any time. Furthermore, the system has an internal backwashing device, which can be done manually or automatically. In addition to the treatment trials of industrial, domestic and/or process waters, cleaning tests to remove bio- or inorganic fouling can also be carried out. The design of the system allows experimental trials over a wide range of MBR technology.

Via a PLC a variety of process parameters can be set variably. In particular, the membrane module can be optimized and optionally backwashed.

Field of use:

  • Training and internship of membrane bioreactors
  • Experiments on degradability of various substances from industrial, domestic and process waters in the membrane bioreactor
  • Experiments to determine process parameters
  • Cleanability experiments of bio- and inorganic fouling on membranes

Further technical information is given in the Data Sheet.

Are you interested? Or could you not find your wanted test unit yet? No problem! Contact us! We would be happy to give you advice!