Pilot Plant For Selective Heavy Metal Precipitation

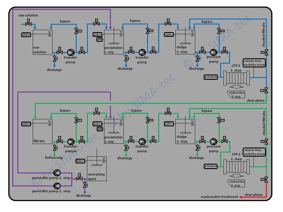
The pilot plant for heavy metal precipitation is a two-step combination unit, which consists of several storage, precipitation and sludge tanks, two chamber filter presses and one neutralizing agent dosing station. It was developed as part of a research project to selectively precipitate heavy metals from various aqueous solutions. The unit is designed, that about 100-150 l/h of raw solution can be subjected to e selective precipitation.

The required process steps for the selective precipitation are controlled and monitored via a PLC. The process parameters are variable and can be adapted individually at any time.

Field of use:

  • Experiments for selective heavy metal precipitation from different aqueous solutions
  • Experiments to press behavior of various metal hydroxides in the chamber filter press
  • Test of different filter cloth
  • Optimization of process parameters
  • Processing of larger quantities on pilot plant scale

Further technical information are given in the Data Sheet (PDF-document).

Are you interested? Or could you not find your wanted test unit yet? No problem! Contact us! We would be happy to give you advice!